
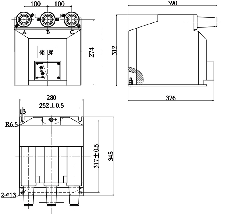
Three-phase voltage transformer
Product Description: JSZV29-10/R type voltage transformer is applicable to current, electric energy measurement and computer protection of rated frequency 50 Hz, rated voltage of 10kV and below the AC line.

Three-phase voltage transformer
Product Description: JSZV29-10/R type voltage transformer is applicable to current, electric energy measurement and computer protection of rated frequency 50 Hz, rated voltage of 10kV and below the AC line.
Address: R6006 2# Lvbao Square, Huqiu District, Suzhou City.
Tel: +86 512 68025806
E-mail:szkuyud@163.com
Fax: +86 512 65516505
Postal Code: 215011
Address:No.5,Jiangning Road,Qinhuai District,Nanjing City.
Tel: +86 25 52663658
E-mail:njkuyud@163.com
Fax: +86 25 52663758
Postal Code:210006
